Product list產品列表
Customer service在線客服
產品展示

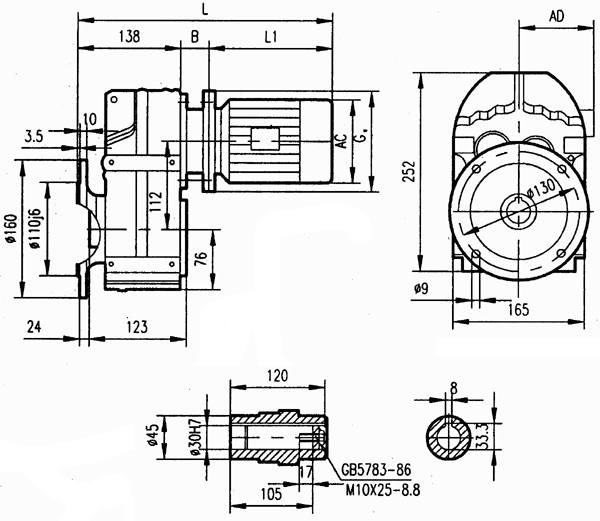
法蘭聯(lián)接式(Y2標準電機)
|
電機機座號 |
90S |
90L |
100L |
112M |
132S |
132M |
160M |
160L |
180 |
180 |
200 |
|
AC |
195 |
195 |
215 |
240 |
275 |
275 |
330 |
330 |
380 |
380 |
420 |
|
AD |
155 |
155 |
180 |
190 |
210 |
210 |
255 |
255 |
280 |
280 |
305 |
|
B |
65 |
65 |
81.5 |
81.5 |
92 |
92 |
125 |
125 |
125 |
125 |
152 |
|
G |
200 |
200 |
250 |
250 |
300 |
300 |
350 |
350 |
350 |
350 |
400 |
|
L1 |
270 |
295 |
325 |
340 |
390 |
430 |
505 |
560 |
590 |
630 |
660 |
|
L |
609 |
634 |
680.5 |
694.5 |
756 |
796 |
904 |
959 |
989 |
1029 |
1086 |

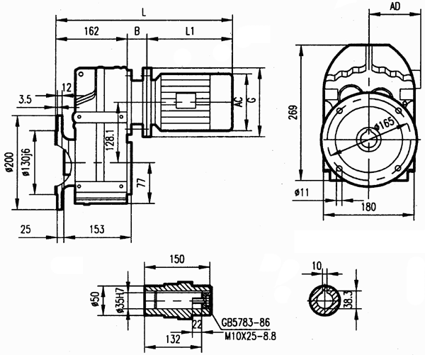
法蘭聯(lián)接式(Y2標準電機)
|
電機機座號 |
100L |
112M |
132S |
132M |
160M |
160L |
180M |
180L |
200 |
225S |
225M |
|
AC |
215 |
240 |
275 |
275 |
330 |
330 |
380 |
380 |
420 |
470 |
470 |
|
AD |
280 |
190 |
210 |
210 |
255 |
255 |
280 |
280 |
305 |
335 |
335 |
|
B |
68 |
68 |
106 |
106 |
126 |
126 |
126 |
126 |
140 |
170 |
170 |
|
G |
250 |
250 |
300 |
300 |
350 |
350 |
350 |
350 |
400 |
450 |
450 |
|
L1 |
325 |
340 |
390 |
430 |
505 |
560 |
590 |
630 |
660 |
675 |
705 |
|
L |
705 |
720 |
808 |
848 |
943 |
998 |
1028 |
1068 |
1112 |
1157 |
1187 |

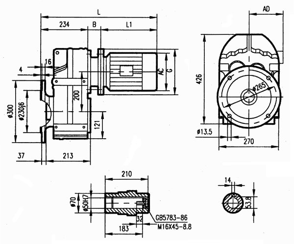
法蘭聯(lián)接式(Y2標準電機)
|
電機機座號 |
132M |
160M |
160L |
180M |
180L |
200 |
225S |
225M |
250M |
280S |
280M |
|
AC |
275 |
330 |
330 |
380 |
380 |
420 |
470 |
470 |
510 |
580 |
580 |
|
AD |
210 |
255 |
255 |
280 |
280 |
305 |
335 |
335 |
370 |
410 |
410 |
|
B |
98.5 |
120 |
120 |
120 |
120 |
139 |
169 |
169 |
192.5 |
192.5 |
192.5 |
|
G |
300 |
350 |
350 |
350 |
350 |
400 |
450 |
450 |
550 |
550 |
550 |
|
L1 |
430 |
505 |
560 |
590 |
630 |
660 |
675 |
705 |
770 |
845 |
895 |
|
L |
901.5 |
998 |
1053 |
1083 |
1123 |
1172 |
1217 |
1247 |
1335.5 |
1410.5 |
1460.5 |

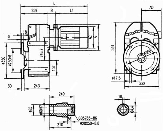
法蘭聯(lián)接式(Y2標準電機)
|
電機機座號 |
160M |
160L |
180M |
180L |
200 |
225S |
225M |
250M |
280S |
280M |
315S |
315M |
|
AC |
330 |
330 |
380 |
380 |
420 |
470 |
470 |
510 |
580 |
580 |
645 |
645 |
|
AD |
255 |
255 |
280 |
280 |
305 |
335 |
335 |
370 |
410 |
410 |
530 |
530 |
|
B |
115 |
115 |
115 |
115 |
160 |
170 |
170 |
192.5 |
192.5 |
192.5 |
260 |
260 |
|
G |
350 |
350 |
350 |
350 |
400 |
450 |
450 |
550 |
550 |
550 |
660 |
660 |
|
L1 |
505 |
560 |
590 |
630 |
660 |
675 |
705 |
770 |
845 |
895 |
1100 |
1130 |
|
L |
1075 |
1130 |
1160 |
1200 |
1275 |
1300 |
1330 |
1417.5 |
1492.5 |
1542.5 |
1815 |
1845 |

法蘭聯(lián)接式(Y2標準電機)
|
電機機座號 |
63 |
71 |
80 |
90S |
90L |
100L |
|
AC |
130 |
145 |
175 |
195 |
195 |
215 |
|
AD |
70 |
80 |
145 |
155 |
155 |
180 |
|
B |
45 |
50.5 |
60.5 |
60.5 |
60.5 |
85.5 |
|
G |
140 |
160 |
200 |
200 |
200 |
250 |
|
L1 |
207 |
225 |
255 |
270 |
295 |
325 |
|
L |
390 |
413.5 |
453.5 |
468.5 |
493.5 |
548.5 |

法蘭聯(lián)接式(Y2標準電機)
|
電機機座號 |
63 |
71 |
80 |
90S |
90L |
100L |
|
AC |
130 |
145 |
175 |
195 |
195 |
215 |
|
AD |
70 |
80 |
145 |
155 |
155 |
180 |
|
B |
44.5 |
50 |
69 |
69 |
69 |
81 |
|
G |
140 |
160 |
200 |
200 |
200 |
250 |
|
L1 |
207 |
225 |
255 |
270 |
270 |
325 |
|
L |
413.5 |
437 |
486 |
501 |
526 |
568 |

法蘭聯(lián)接式(Y2標準電機)
|
電機機座號 |
63 |
71 |
80 |
90S |
90L |
100L |
112M |
132S |
|
AC |
130 |
145 |
175 |
195 |
195 |
215 |
240 |
275 |
|
AD |
70 |
80 |
145 |
155 |
155 |
180 |
190 |
210 |
|
B |
44.5 |
50 |
69 |
69 |
69 |
81 |
81 |
93 |
|
G |
140 |
160 |
200 |
200 |
200 |
250 |
250 |
300 |
|
L1 |
207 |
225 |
255 |
270 |
295 |
325 |
340 |
390 |
|
L |
428.5 |
452 |
501 |
516 |
541 |
583 |
598 |
660 |

法蘭聯(lián)接式(Y2標準電機)
|
電機機座號 |
63 |
71 |
80 |
90S |
90L |
100L |
112M |
132S |
|
AC |
130 |
145 |
175 |
195 |
195 |
215 |
240 |
275 |
|
AD |
70 |
80 |
145 |
155 |
155 |
180 |
190 |
210 |
|
B |
44.5 |
50 |
69 |
69 |
69 |
81 |
81 |
93 |
|
G |
140 |
160 |
200 |
200 |
200 |
250 |
250 |
300 |
|
L1 |
207 |
225 |
255 |
270 |
295 |
325 |
340 |
390 |
|
L |
439.5 |
463 |
512 |
527 |
552 |
594 |
609 |
671 |

法蘭聯(lián)接式(Y2標準電機)
|
電機機座號 |
63 |
71 |
80 |
90S |
90L |
100L |
112M |
132S |
132M |
160M |
|
AC |
130 |
145 |
175 |
195 |
195 |
215 |
240 |
275 |
275 |
330 |
|
AD |
70 |
80 |
145 |
155 |
155 |
180 |
190 |
210 |
210 |
255 |
|
B |
44.5 |
50 |
70 |
70 |
70 |
75 |
75 |
96.5 |
96.5 |
125 |
|
G |
140 |
160 |
200 |
200 |
200 |
250 |
250 |
300 |
300 |
350 |
|
L1 |
207 |
225 |
255 |
270 |
295 |
325 |
340 |
390 |
430 |
505 |
|
L |
485.5 |
509 |
559 |
574 |
599 |
629 |
649 |
720.5 |
760.5 |
864 |

法蘭聯(lián)接式(Y2標準電機)
|
電機機座號 |
80 |
90S |
90L |
100L |
112M |
132S |
132M |
160M |
160L |
180M |
180L |
|
AC |
175 |
195 |
195 |
215 |
240 |
275 |
275 |
330 |
330 |
380 |
380 |
|
AD |
145 |
155 |
155 |
180 |
190 |
210 |
210 |
255 |
255 |
280 |
280 |
|
B |
70 |
70 |
70 |
82 |
82 |
92 |
92 |
130 |
130 |
130 |
130 |
|
G |
200 |
200 |
200 |
250 |
250 |
300 |
300 |
350 |
350 |
350 |
350 |
|
L1 |
255 |
270 |
295 |
325 |
340 |
390 |
430 |
505 |
560 |
590 |
630 |
|
L |
584 |
599 |
624 |
666 |
681 |
741 |
781 |
894 |
949 |
979 |
1019 |
| 頁次:8/9 每頁10條 共89條信息 分頁:[1][2][3][4][5][6][7][8][9] |
